Меню
Гарантийное и постгарантийное обслуживание
Есть расширенная гарантия
Пусконаладка и обучение
Консультация и подбор оборудования
Доставка по всей России

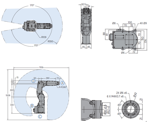
| Оси | Максимальный диапазон движения | Максимальная скорость | Максимальный крутящий момент | Максимальный момент инерции |
| Градусы | °/сек | Н*м | кг*м2 | |
| S | ± 170 | 465 | - | - |
| L | + 130/ -110 | 465 | - | - |
| U | + 200/ -65 | 525 | - | - |
| R | ± 200 | 565 | 8.86 | 0.2 |
| B | ± 123 | 565 | 8.86 | 0.2 |
| T | ± 455 | 1000 | 4.9 | 0.07 |